-
-
-
Tổng tiền thanh toán:
-
Khớp nối bánh răng trống loại NGCLZ thích hợp để nối mức của hai trục truyền động đồng trục, với một góc nhất định để bù độ lệch tương đối của hiệu suất hai trục.
- Mô-men xoắn cực đại: 0.355Kn.m - 100Kn.m
- Kết nối: Lỗ trục
- Đường kính lỗ trục (d1, d2): 20mm - 250mm
· Chiều dài lỗ trục (L): 38mm - 410mm
Với một lượng nhỏ hiệu suất bù lệch trục, không thể đệm và giảm chấn.
Kích thước nhỏ, mômen truyền cao về mặt lý thuyết, cần bôi trơn và làm kín, nhưng tiếng ồn lớn và giá thành đắt, dùng cho cấp độ kết nối của hai ổ trục đồng trục.
Để kết nối hai trục đồng trục trong điều kiện tốc độ thấp và tải nặng, chẳng hạn như máy luyện kim và máy móc hạng nặng, v.v.
Không áp dụng cho ổ trục tốc độ cao và độ chính xác cao, không nên khởi động thường xuyên và đảo ngược các điều kiện thay đổi.
Hỗ trợ bằng phanh, được sử dụng cho máy móc luyện kim và máy móc hạng nặng cần bộ phận phanh.
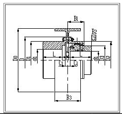
Cấu tạo và bảng thông số kích thước:


Khớp nối bánh răng tang trống loại NGCLZ được ứng dụng trong các ngành công nghiệp luyện kim, khai thác mỏ, nâng hạ và vận tải, dầu khí, hóa chất, máy móc nói chung và truyền động trục máy móc hạng nặng khác.
Bạn cần hỗ trợ? Nhấc máy lên và gọi ngay cho chúng tôi - 0912302018
Giao hàng toàn quốc
Bảo mật thanh toán
Đổi trả trong 7 ngày
Tư vẫn miễn phí