-
-
-
Tổng tiền thanh toán:
-
Khớp nối bánh răng trống với đĩa phanh loại PGCLZ là yếu tố rất quan trọng để tạo nên sự truyền động chính xác trong quá trình hoạt động của máy móc.
- Mô-men xoắn cực đại: 630nm - 112000nm
- Kết nối: Lỗ trục và mối ghép
- Đường kính lỗ trục (d1, d2): 20mm - 210mm
· Chiều dài lỗ trục (L): 52mm - 352mm
Khớp nối bánh răng loại PGCLZ có vành bánh răng bên trong rộng nên bù lệch trục lớn hơn và thích hợp sử dụng phanh đĩa, cho phép quay theo chiều thuận và chiều âm.
Sản phẩm thích hợp với những tình huống tải nặng, tốc độ và hướng thay đổi thường xuyên.
Đĩa phanh được bố trí ở đầu bị động của khớp nối, trọng lượng của đĩa phanh và tải trọng phanh làm việc và rung động hoàn toàn được hỗ trợ bởi nửa khớp nối, do đó cải thiện hiệu suất ăn khớp của các răng trống trong quá trình phanh.
Mômen phanh tối đa không bị hạn chế bởi độ bền kết cấu của khớp nối, an toàn và đáng tin cậy;
Cấu trúc nhỏ gọn, điều kiện làm mát đĩa phanh tốt.
Đĩa phanh cắm vào có thể nhanh chóng được thay thế mà không cần phải tháo thiết bị.
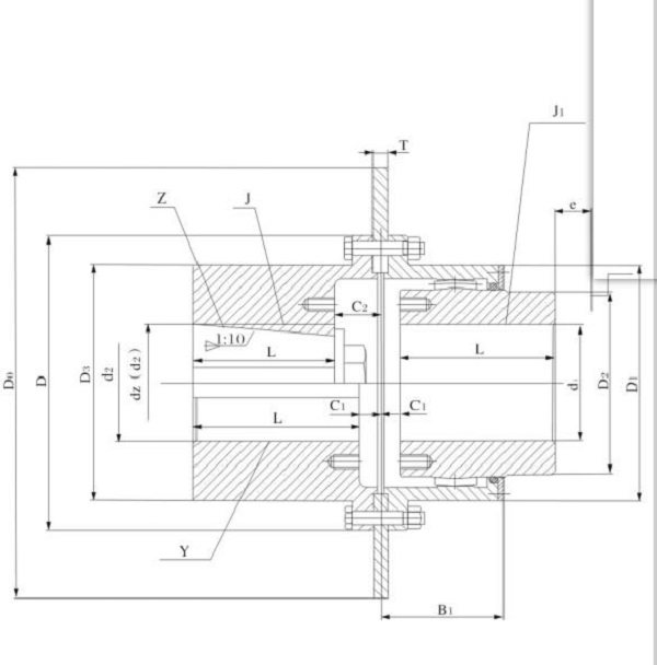
Cấu tạo và bảng thông số kích thước:


Khớp nối bánh răng trống với đĩa phanh loại PGCLZ được ứng dụng trong các ngành công nghiệp luyện kim, khai thác mỏ, nâng hạ và vận tải, dầu khí, hóa chất, máy móc nói chung và truyền động trục máy móc hạng nặng khác.
Bạn cần hỗ trợ? Nhấc máy lên và gọi ngay cho chúng tôi - 0912302018
Giao hàng toàn quốc
Bảo mật thanh toán
Đổi trả trong 7 ngày
Tư vẫn miễn phí